工业污水流量计由传感器和转换器两部分构成。它是基于法拉第电磁感应定律工作的,用来测量电导率大于5μS/cm导电液体的体积流量,是一种测量导电介质体积流量的感应式仪表。除可测量一般导电液体的体积流量外,还可用于测量强酸强碱等强腐蚀液体和泥浆、矿浆、纸浆等均匀的液固两相悬浮液体的体积流量。广泛应用于石油、化工、冶金、轻纺、造纸、环保、食品等工业部门及市政管理,水利建设、河流疏浚等领域的流量计量。
在线留言
工业污水流量计、工业污水流量表厂家、工业污水流量计报价-淮安万丰测控技术有限公司质量至上, 诚信为本,服务上乘。为广大客户提供产品咨询,选型指导,报价等服务,欢迎广大客户订购!: 手机/V信: :
工业污水流量计由传感器和转换器两部分构成。它是基于法拉第电磁感应定律工作的,用来测量电导率大于5μS/cm导电液体的体积流量,是一种测量导电介质体积流量的感应式仪表。除可测量一般导电液体的体积流量外,还可用于测量强酸强碱等强腐蚀液体和泥浆、矿浆、纸浆等均匀的液固两相悬浮液体的体积流量。广泛应用于石油、化工、冶金、轻纺、造纸、环保、食品等工业部门及市政管理,水利建设、河流疏浚等领域的流量计量。
工业污水流量计技术差数:
公称通径(mm) (特殊规格可定制) | 管道式四氟衬里:DN10~DN600 |
管道式橡胶衬里:DN40~DN2200 | |
流动方向 | 正,反,净流量 |
量程比 | 150:1 |
重复性误差 | 测量值的±0.1% |
精度等级 | 管道式:0.5级,1.0级 |
被测介质温度 | 普通橡胶衬里:-20~+60℃ |
高温橡胶衬里:-20~+90℃ | |
聚四氟乙稀衬里:-30~+100℃ | |
高温型四氟衬里:-20~+180℃ | |
额定工作压力 | DN10-DN150:≤1.6MPa |
DN200-DN350:≤1.0MPa | |
DN400-DN1000:≤0.6MPa | |
DN450-DN2200:≤0.25MPa | |
流速范围 | 0.1-15m/s |
电导率范围 | 被测流体电导率≥5μs/cm |
信号输出 | 4~20mA(负载电阻0~750Ω),脉冲/频率,控制电平 |
通讯输出 | RS485,MODBUS协议,HART协议 |
供电电源 | AC220V或DC24V |
要求直管段长度 | 上游≥5DN,下游≥2DN |
连接方式 | 流量计与配管之间均采用法兰连接,符合国标GB/T9115.1-2000 |
防爆等级 | ExdeiallBT4-T6 |
防护等级 | IP65,特殊订制zui高可达IP68 |
环境温度 | -25~+60℃ |
相对温度 | 5%~95% |
消耗总功率 | 小于20W |
工业污水流量计选型表:
型 号 | 代码 | 说 明 |
WFLDE- | 工业污水流量计 | |
通径 | □□□ | 10-2200mm |
结构形式 | S | 一体型 |
L | 分体型 | |
电极材料 | M | 不锈钢 |
T | Ti(钛) | |
D | Ta(钽) | |
H | 哈氏合金 | |
P | Pt铂 | |
N | Ni镍 | |
输出方式 | 0 | 无输出 |
1 | 4-20mA/1-5KHz | |
2 | 4-20mA | |
衬里材料 | X | 橡胶 |
F | 聚四氟乙烯 | |
P | 聚乙烯 | |
J | 聚氨酯橡胶 | |
就地显示 | 0 | 无就地显示 |
1 | 就地显示 | |
通讯方式 | 0 | 无通讯 |
1 | RS485 | |
2 | RS232 | |
3 | Modbus | |
4 | Hart | |
接地环 | 0 | 无接地环 |
1 | 有接地环 | |
2 | 有接地电极 | |
上限流量 | (n) | 上限流量(量程)m3/h |
仪表口径的确定:
口径mm | 流量范围m3/h | 口径mm | 流量范围m3/h |
φ15 | 0.06~6.36 | φ450 | 57.23~5722.65 |
φ20 | 0.11~11.3 | φ500 | 70.65~7065.00 |
φ25 | 0.18~17.66 | φ600 | 101.74~10173.6 |
φ40 | 0.45~45.22 | φ700 | 138.47~13847.4 |
φ50 | 0.71~70.65 | φ800 | 180.86~18086.4 |
φ65 | 1.19~119.4 | φ900 | 228.91~22890.6 |
φ80 | 1.81~180.86 | φ1000 | 406.94~40694.4 |
φ100 | 2.83~282.60 | φ1200 | 553.90~55389.6 |
φ150 | 6.36~635.85 | φ1600 | 723.46~72345.6 |
φ200 | 11.3~1130.4 | φ1800 | 915.62~91562.4 |
φ250 | 17.66~176.25. | φ2000 | 1130.4~113040.00 |
φ300 | 25.43~2543.40 | φ2200 | 1367.78~136778.4 |
φ350 | 34.62~3461.85 | φ2400 | 1627.78~162777.6 |
φ400 | 45.22~4521.6 | φ2600 | 1910.38~191037.6 |
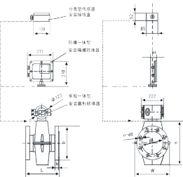
DN15~DN150一体型和传感外形图 | ||||||||||||||||||||||||||||||||||||||||||||||||||||||||||||||
![]() | 外形尺寸和重量 | |||||||||||||||||||||||||||||||||||||||||||||||||||||||||||||
| ||||||||||||||||||||||||||||||||||||||||||||||||||||||||||||||
法兰尺寸(标准:GB/T9119) | |||||||||||||||||||||||||||||||||||||||||||||||||||||||||||||||||||||||||||||||||||||||||||||||||||||||||||||||||||||||||
| |||||||||||||||||||||||||||||||||||||||||||||||||||||||||||||||||||||||||||||||||||||||||||||||||||||||||||||||||||||||||
| DN200~DN600一体型和传感外形图 | 外形尺寸和重量 | ||||||||||||||||||||||||||||||||||||||||||||||||||||||||||||||||||||||||||||||||||||||||||||||||||||||||||||||||||||||||
|
| ||||||||||||||||||||||||||||||||||||||||||||||||||||||||||||||||||||||||||||||||||||||||||||||||||||||||||||||||||||||||
| 法兰尺寸(标准:GB/T9119) | |||||||||||||||||||||||||||||||||||||||||||||||||||||||||||||||||||||||||||||||||||||||||||||||||||||||||||||||||||||||||
| |||||||||||||||||||||||||||||||||||||||||||||||||||||||||||||||||||||||||||||||||||||||||||||||||||||||||||||||||||||||||

售后承诺:
1、无条件售后服务(安装调试指导、故障排除)。
2、我公司所售产品在一年之内出现质量问题的(非人为、选型错误、工况不满足、易损易坏品等除外),负责免费维修调换。
3、现场服务:周边地区48小时内响应。
万丰提示:常规产品供货期为:1-3个工作日,特殊规格需咨询确定。垂询!我们将竭诚为您服务!
淮安万丰测控技术有限公司 版权所有 苏ICP备16040060号-1 GoogleSitemap
淮安万丰测控技术有限公司为您提供齐全的DN150工业污水流量计型号,DN150工业污水流量计规格,欢迎来电咨询。